Haga clic para más productos.
No se encontraron artículos.

Categorías

ACOPLAMIENTO UNION CAD.G80 1/4"-6mm 1,25Tn

10,89 € (impuestos inc.)
Entrega entre 3 y 4 días
Disponible 48 Artículos
Referencia:
C1 CL06
Favorito0
Añadir para comparar0
Descripción
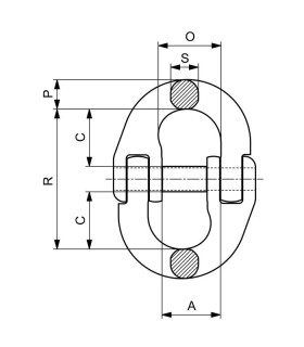
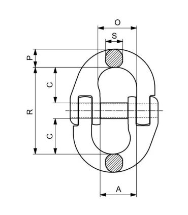
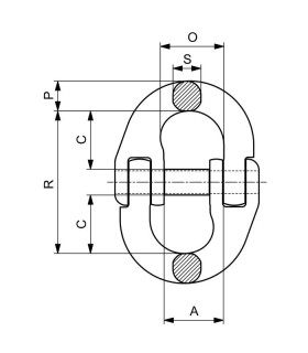
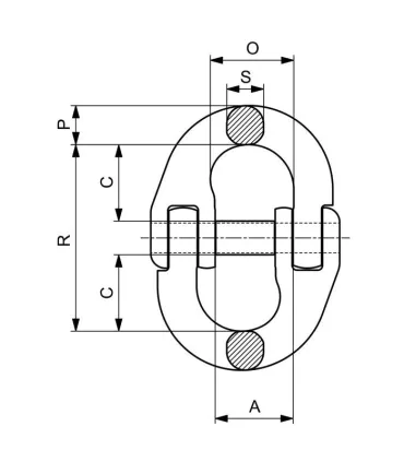
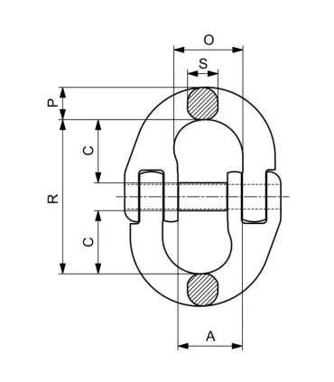
Malla de conexión, conector de unión, acoplamiento para unir cadenas de alta resistencia grado 80 G80.
Únicamente para tamaño de cadena 6mm ó 1/4". Carga máxima de trabajo "WLL" 1.200 kilos.
Gracias a su diseño articulado, y sin necesidad de útiles especiales, podemos ensamblar y desensamblar, e incluso prolongar con mucha rapidez y eficacia, la unión de cadenas para elevar o transportar elementos, estructuras o artilugios pesados.
La firmeza de la fijación queda garantizada gracias a la excelente funcionalidad del seguro que actúa a modo de retención en la parte central del pasador y de tope contra las dos paredes internas de la parte donde se produce la articulación.
CONSEJOS: Para no poner en riesgo la seguridad nunca hay que sobrepasar la carga de trabajo S.W.L. que tiene especificada para cada medida.
Disponemos del pasador y casquillo de recambio para nuestros acoplamientos.

Dotación
Lee masMostrar menos
Información Técnica
C1 CL06

Ficha técnica

Carga de trabajo WLL
1200Kgs
Comentarios
Sin comentarios
También te puede interesar
No hay artículos

Menú

Código QR

Ajustes

Crear una cuenta gratuita para guardar tus favoritos.

Registrarse